masterclass/Old/SolderingCourse2025
..
Layout.png
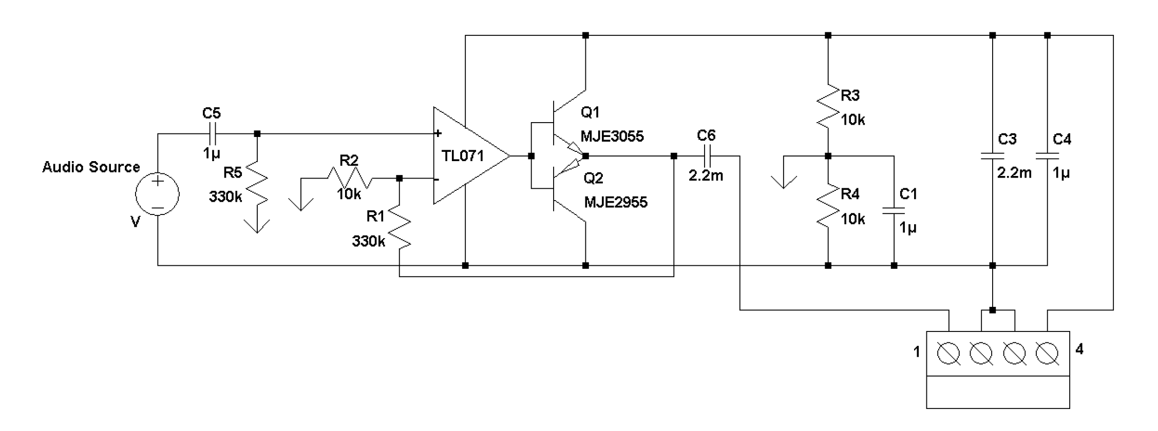
Schematic.png
Soldering Course Presentation 2025.pdf
Soldering Course Presentation 2025.pptx
docu.pdf